设为首页加入收藏
产品目录PRODUCTS
联系方式CONTACT

地址:江苏省启东市紫薇中路758号
电话:0513-83223588 83221029
传真:0513-83221029
邮箱:webmaster@ke-wei.com
首页 >> 管用专用小型设备 >> 氧气用点阀箱
氧气用点阀箱

加入时间:2015-3-30 8:41:40  点击:

(一)、OXB/A1-4型氧气用点阀箱
1、用途
本产品适用于金属气焊、气割、火焰表面清理和热加工的氧气管路用户点,也能同氧气汇流排配套使用于上述各种用户点。
2、结构特点
本产品外部保护采用天蓝色烤漆防锈,阀箱接点可供1-4把焊炬或割炬分别使用,也可供同时使用。由于每个接点都分别配有减压器避免了同时使用时压力、流量的波动,内部所有管路均采用不锈钢(1Cr18Ni9Ti)制作。阀箱门接有箱体专用锁,便于集中管理,可避免因误操作造成的能源浪费和泄漏引起的不安全因素。
3、产品技术参数
氧气点阀箱技术参数
型号
 项目
OXB/A-1型
OXB/A-2型
OXB/A-3型
OXB/A-4型
正常使用压力MPa
0.1~1.6
0.1~1.6
0.1~1.6
0.1~1.6
流量Nm3/H
15~60
30~120
45~180
60~240
外形尺寸mm
1200×960×320
1200×960×320
1200×960×320
1200×960×320
接头规格
DN10×1
DN10×2
DN10×3
DN10×4
接管法兰规格
PN4.0或PN2.5 DN25
PN4.0或PN2.5 DN25
PN4.0或PN2.5 DN25
PN4.0或PN2.5 DN25
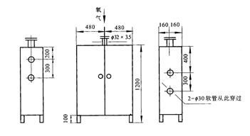
4、OXB/1-4型氧气接点阀箱安装示意图
5、选用说明
当进气压力P≤2.5MPa时,入口配JB/T81-94平焊钢法兰。
当进气压力2.5<P≤4.0MPa时,入口配JB/T82.2-94对焊钢法兰。
请用户订货时注明。 
(二)、OXB/B1-3型氧气用点阀箱 
1、用途
本产品适用于金属气焊、气割、火焰表面清理和热加工的氧气管路用户点,也能同氧气钢瓶组配套使用于上述各种用户点。 
2、结构特点
本产品外部保护采用天蓝色烤漆防锈,阀箱接点可供1-3人分别使用,也可供同时使用。所用仪表可通过阀箱面板窥视孔直接观察,内部所有管路均采用不锈钢(1Cr18Ni9Ti)制作;阀箱门接有箱体专用锁,便于集中管理,可避免因误操作造成的能源浪费和泄漏引起的不安全因素。 
3、产品技术参数
氧气点阀箱技术参数
型号
 项目
OXB/B-1型
OXB/B-2型
OXB/B-3型
正常使用氧气压力MPa
0.8~1.6
0.8~1.6
0.8~1.6
流量Nm3/H
15~30
30~45
45~100
外形尺寸mm
1000×500×240
1000×500×240
1000×500×240
接头规格
见附图
见附图
见附图
安装示意图
注意事项
本产品在安装过程中请注意进出气口不可接反,发现堵塞应清洗,使用一年后应进行全面检修。

上一页:内外筒式乙炔回火防止器
下一页:消声器
[ 其它相关文章 ]

 

启东市科威石化机械设备制造有限公司 地址:江苏省启东市紫薇中路758号 邮编:226200
电话:0513-83223588 83221029 传真:0513-83221029
E-mail:webmaster@ke-wei.com