
旋转下料阀
旋转下料阀又称旋转阀,卸灰阀,回转阀,旋转供料器,叶轮给料机,锁气器,旋转加料器,旋转下料器,回转下料器,回转下料阀,星形加料器,关风器,关风机,关风阀,闭风机(器),旋转给料器,旋转给料阀,叶轮给料机,叶轮给料器,输送阀,锁气排料阀,星型卸料器,星型下料器,星型下料阀,星型卸料阀,星型给料器,星型给料机,星形卸料器,星形卸料阀,锁风阀,锁风排料器,锁风给料器,锁风机,锁风,回转阀,输送阀,气锁阀,气锁器,行星给料器,锁气给料器,锁风喂料器,气锁,锁风喂料机,旋转排料阀,星(形)型旋转阀,Airlock,RotaryFeeder。不论名称的命名是怎样,上述下料阀的结构与工作原理都是相同的;旋转下料阀体内部有多个叶片的转子,上部料仓的物料靠自重落下填充在叶片间的空隙中,物料随转子的旋转在下部料口卸出。因转子叶片间的空间是均匀一致的,转子转速既可以是恒速的,也可以是变速的,所以旋转下料阀被广泛的应用在环保、冶金、化工、粮食、水泥、筑路、等行业的粉状、颗粒状物料的卸料、供料和计量、配料的场合,更值得一提的是,随着微电脑技术的发展,各行业对粉状和颗粒状物料的实时供给需求不断增长,旋转下料阀与变频、调速装置的结合成为实时供料的方案。
旋转下料阀的型号:
(一) 普通型 代号J表示
旋转下料阀的上、下法兰口基本是方形或圆形,也可以由用户选定,普通型一般适用于无风力压力。
(二)耐磨损叶轮 代号N表示
该型旋转下料阀的特点是转子叶片的端部用特殊耐磨材料制成,能保证叶片端部与壳内壁有良好接触,并且磨损后可方便地调节叶片端部,使其仍然与壳体内壁保持良好接触,如果用封闭型的转子具有更好的锁气性能,耐磨损型主要适用琢磨性能较强的物料。
(三)耐高温型 代号H表示
它所输送物料的温度可达280℃,两端轴承与叶轮有一定隔离,能防止超细粉料与轴承接触。
旋转下料阀型号含义:

YJD-HX型

主要技术参数
|
型号
|
每转体积
|
电机型号功率
|
转速
|
工作温度
|
重量
|
安装连接尺寸
|
|
(kW)
|
r/min
|
(℃)
|
kg
|
A
|
B
|
C
|
A1
|
B1
|
C1
|
H
|
L
|
孔直径
|
|
2型
|
2立升/转
|
Y801-4/0.55
|
24
|
≤280
|
75
|
Ф240
|
Ф200
|
Ф150
|
240×240
|
220
|
150×150
|
240
|
850
|
8-Ф11
|
|
4型
|
4立升/转
|
Y801-4/0.55
|
24
|
≤280
|
105
|
Ф280
|
Ф240
|
Ф180
|
270×270
|
230
|
180×180
|
280
|
900
|
8-Ф11
|
|
6型
|
6立升/转
|
Y801-4/0.55
|
24
|
≤280
|
110
|
Ф300
|
Ф260
|
Ф200
|
290×290
|
250
|
200×200
|
300
|
930
|
8-Ф11
|
|
8型
|
8立升/转
|
Y802-4/0.75
|
24
|
≤280
|
125
|
Ф320
|
Ф280
|
Ф220
|
310×310
|
270
|
220×220
|
320
|
950
|
8-Ф11
|
|
10型
|
10立升/转
|
Y90S-4/1.1
|
24
|
≤280
|
135
|
Ф340
|
Ф300
|
Ф240
|
330×330
|
290
|
240×240
|
340
|
1000
|
8-Ф13
|
|
12型
|
12立升/转
|
Y90S-4/1.1
|
24
|
≤280
|
140
|
Ф360
|
Ф320
|
Ф260
|
350×350
|
310
|
260×260
|
360
|
1030
|
8-Ф17
|
|
14型
|
14立升/转
|
Y90S-4/1.1
|
24
|
≤280
|
160
|
Ф380
|
Ф340
|
Ф280
|
370×370
|
330
|
280×280
|
380
|
1050
|
8-Ф17
|
|
16型
|
16立升/转
|
Y90S-4/1.1
|
24
|
≤280
|
180
|
Ф400
|
Ф350
|
Ф300
|
400×400
|
350
|
300×300
|
400
|
1080
|
8-Ф17
|
|
18型
|
18立升/转
|
Y90L-4/1.5
|
24
|
≤280
|
195
|
Ф420
|
Ф380
|
Ф320
|
420×420
|
370
|
320×320
|
420
|
1100
|
8-Ф17
|
|
20型
|
20立升/转
|
Y90L-4/1.5
|
24
|
≤280
|
210
|
Ф440
|
Ф400
|
Ф340
|
440×440
|
380
|
340×340
|
440
|
1150
|
8-Ф17
|
|
26型
|
26立升/转
|
Y100L1-4/2.2
|
24
|
≤280
|
310
|
Ф500
|
Ф460
|
Ф400
|
510×510
|
450
|
400×400
|
500
|
1300
|
12-Ф17
|
|
30型
|
30立升/转
|
Y100L2-4/3
|
24
|
≤280
|
350
|
Ф560
|
Ф500
|
Ф440
|
550×550
|
485
|
440×440
|
560
|
1350
|
12-Ф17
|
|
40型
|
40立升/转
|
Y100L2-4/3
|
24
|
≤280
|
450
|
Ф620
|
Ф558
|
Ф500
|
620×620
|
558
|
500×500
|
620
|
1500
|
12-Ф17
|
|
50型
|
50立升/转
|
Y100L2-4/3
|
24
|
≤280
|
500
|
Ф650
|
Ф600
|
Ф540
|
650×650
|
600
|
540×540
|
650
|
1600
|
12-Ф17
|
单级减速比和输出轴转速:
|
减 速 比
|
1∶9
|
1∶11
|
1∶13
|
1∶17
|
1∶23
|
1∶29
|
1∶35
|
1∶43
|
1∶59
|
1∶71
|
1∶87
|
|
输出轴转数 (转/分)
|
167
|
136
|
115
|
88
|
65
|
52
|
43
|
35
|
25
|
21
|
17
|
|
输入转速
|
1500r/min
|
双级减速比和输出轴转速:
|
减 速 比
|
1∶121
|
1∶187
|
1∶289
|
1∶391
|
1∶473
|
1∶595
|
1∶731
|
1∶841
|
1∶1003
|
|
输出轴转数(转/分)
|
12.4
|
8
|
5.2
|
3.8
|
3.2
|
2.5
|
2
|
1.8
|
1.5
|
|
减 速 比
|
1∶1225
|
1∶1505
|
1∶1849
|
1∶2056
|
1∶2537
|
1∶3481
|
1∶4189
|
1∶5133
|
1∶7569
|
|
输出轴转数(转/分)
|
1.2
|
1
|
0.8
|
0.7
|
0.6
|
0.4
|
0.36
|
0.3
|
0.2
|
|
输入转速
|
1500r/min
|
YCJ-H型

主要技术参数:
|
型号
|
每转体积
|
安装连接尺寸
|
|
A
|
B
|
C
|
A1
|
B1
|
C1
|
a
|
D
|
P
|
D1
|
H
|
L
|
孔直径
|
|
2型
|
2立升/转
|
Ф240
|
Ф200
|
Ф150
|
240×240
|
200
|
150×150
|
30
|
25
|
8
|
28
|
240
|
425
|
8-Ф11
|
|
4型
|
4立升/转
|
Ф280
|
Ф240
|
Ф180
|
270×270
|
230
|
180×180
|
40
|
30
|
8
|
33
|
280
|
510
|
8-Ф11
|
|
6型
|
6立升/转
|
Ф300
|
Ф260
|
Ф200
|
290×290
|
250
|
200×200
|
40
|
30
|
8
|
33
|
300
|
530
|
8-Ф11
|
|
8型
|
8立升/转
|
Ф320
|
Ф280
|
Ф220
|
310×310
|
270
|
220×220
|
40
|
30
|
8
|
33
|
320
|
550
|
8-Ф11
|
|
10型
|
10立升/转
|
Ф340
|
Ф300
|
Ф240
|
330×330
|
290
|
240×240
|
55
|
35
|
10
|
39
|
340
|
580
|
8-Ф13
|
|
12型
|
12立升/转
|
Ф360
|
Ф320
|
Ф260
|
350×350
|
310
|
260×260
|
55
|
35
|
10
|
39
|
360
|
600
|
8-Ф17
|
|
14型
|
14立升/转
|
Ф380
|
Ф340
|
Ф280
|
370×370
|
330
|
280×280
|
55
|
35
|
10
|
39
|
380
|
620
|
8-Ф17
|
|
16型
|
16立升/转
|
Ф400
|
Ф360
|
Ф300
|
400×400
|
350
|
300×300
|
55
|
40
|
12
|
44
|
400
|
640
|
8-Ф17
|
|
18型
|
18立升/转
|
Ф420
|
Ф380
|
Ф320
|
420×420
|
370
|
320×320
|
55
|
40
|
12
|
44
|
420
|
660
|
8-Ф17
|
|
20型
|
20立升/转
|
Ф440
|
Ф400
|
Ф340
|
440×440
|
390
|
340×340
|
55
|
40
|
12
|
44
|
440
|
680
|
8-Ф17
|
|
26型
|
26立升/转
|
Ф500
|
Ф460
|
Ф400
|
510×510
|
450
|
400×400
|
55
|
40
|
12
|
44
|
520
|
740
|
12-Ф17
|
|
30型
|
30立升/转
|
Ф560
|
Ф500
|
Ф440
|
550×550
|
485
|
440×440
|
65
|
50
|
16
|
56
|
550
|
780
|
12-Ф17
|
|
40型
|
40立升/转
|
Ф620
|
Ф558
|
Ф500
|
620×620
|
558
|
500×500
|
65
|
50
|
16
|
58
|
620
|
850
|
12-Ф17
|
|
50型
|
50立升/转
|
Ф650
|
Ф600
|
Ф540
|
650×650
|
600
|
540×540
|
65
|
50
|
16
|
56
|
650
|
890
|
12-Ф17
|
锁气阀
我公司多年生产制造旋转下料阀,不断改进研究各种形式旋转下料阀优长之处,并吸收消化锁气阀的先进技术,研发出新一代锁气阀,加工更精细,各部件气密性好,非常适用于正、负压气力输送系统,脉冲除尘设备等气密性要求较高的环境;其在常压下的供料,运转能力也有进一步的提高,因此它是通用旋转下料阀的一个发展型。
锁气阀用在气力输送系统中,对于正压输送系统或负压输送系统,锁气阀可以均匀连续地向输送管供料,以保证气力输送管内的气、固体比较稳定,使气力输送能正常工作。同时,又能将锁气阀的上、下部气压隔断,起到锁气、锁风作用。因此,锁气阀是气力输送系统中常用的重要部件。

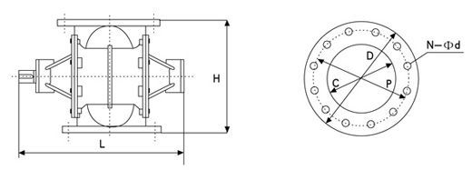
SQF型标准型,锁气阀的上下法兰均为圆形,
对于用户所需的特殊接口可另行设计生产。 |
NSQF型锁气阀是适用于琢磨性粉料,
壳体内有耐磨性能好更换方便的内衬套。 |
转子选型表示:

锁气阀型号含义:


主要技术参数:
|
型 号
|
口径(mm)
|
容积
|
驱动功率
|
外 形 尺 寸
|
重量
|
|
C
|
L/rev
|
kW
|
D
|
P
|
N-Фd
|
H
|
L
|
kg
|
|
125型
|
125
|
2
|
0.37
|
250
|
210
|
8-Ф23
|
280
|
500
|
60
|
|
150型
|
150
|
4
|
0.37
|
285
|
240
|
8-Ф23
|
330
|
540
|
70
|
|
200型
|
200
|
6
|
0.75
|
340
|
295
|
8-Ф23
|
350
|
610
|
105
|
|
250型
|
250
|
12
|
0.75
|
400
|
350
|
12-Ф23
|
420
|
660
|
135
|
|
300型
|
300
|
22
|
1.5
|
445
|
400
|
12-Ф23
|
490
|
730
|
225
|
|
350型
|
350
|
40
|
2.2
|
505
|
460
|
16-Ф23
|
580
|
900
|
355
|
|
400型
|
400
|
60
|
2.2
|
565
|
515
|
16-Ф27
|
640
|
960
|
430
|
|
450型
|
450
|
80
|
4.0
|
615
|
565
|
20-Ф27
|
700
|
1060
|
575
|
 |
购买旋转下料阀时,请提供以下信息:
1、是实时供料,全量供料,还是气锁;
2、供料量kg/h:
下料阀供料能力计算方法:
W(m3/h)=V(l/rev.)×N(rpm)×60×η(%)/1000
W:卸料量(m3/H)
V:转子的容量(l/rev)
N:转子的速度(rpm)
η:物料的充填率≤100%
物料充填率选取:
颗粒状物料:η≈0.6-0.9
粉状物料:η≈0.5-0.8
以上填充率仅作参考,对于一些特殊的物料,建议在实际运作后测出。
3、输送物料的性能、名称、粒度、堆积密度、温度、含水率、安息角;
4、输送气体名称及下料阀上、下法兰间的压力差。
5、法兰的规格。 |
旋转下料阀的选用:
1、订货前,应先了解本产品技术参数、安装尺寸、转速及使用范围等择优选用配套,以免造成不必要的损失。
2、使用说明书中,安装尺寸及转速是我厂通用的标准,如用户单位需特殊要求,我厂可满足您的要求设计生产。
3、我厂旋转下料阀壳体是标准铸铁,还可以生产铸不锈钢、铸铝、铸铜、球磨铸铁、焊接壳体等,以及特殊行业特殊环境使用的特殊材质下料阀(如:氯碱行业应用的特殊材质Inconel600)。
4、本产品配用普通电动机以Y系列为标准,还可根据用户实际需要配用防爆电机、调速电机、变频器等。 |